安定光量と柔軟制御で、検査品質を支えるコンパクトな赤外線光源BOX
短波赤外線 SWIRライティングBOX LLBKD-SWIR シリーズ

発光波長
1,050nm
1,100nm
1,200nm
1,300nm
1,450nm
1,550nm
1,650nm
から選択可能

コンパクトで
安定した光量が得られます

    特長

    ●短波赤外線波長(SWIR:1000〜1700nm)対応の高性能赤外線光源BOX
     可視光では困難な同色異物検査、パッケージ透過撮像、シリコン透過、水分吸収特性を利用した検査に最適

    ●小型・省スペース設計で装置組み込みが容易
     コンパクトなライティングボックスのため、産業用検査装置や研究用途への組み込みに適したサイズ

    ●安定した光量を実現する連続点灯方式
     SWIR撮像に必要な安定照度を長時間維持し、高精度な画像検査をサポート
     ※撮像する為にはインジウム・ガリウム砒素 (InGaAs)センサーカメラが必要です

    ●多様な制御方式に対応(フロントパネル操作+LAN外部制御+外部信号ON/OFF)
     パネル操作に加え、パソコンやプログラマブルコントローラなどの外部機器からの信号で、照度・点灯時間・点灯タイミングを制御できます
     これにより、検査ラインや装置制御システムとの連携が容易になります

    ●冷却FANの自動制御と柔軟な電源仕様(ACアダプタ/端子台入力)
     調光値・発光色に応じてFAN回転数を自動調整し、光源の安定性と長寿命化に貢献
     アタッチメント(口金)もオプションで選択可能

    用途例


    異物検査・透過検査に最適なSWIR(短波赤外:1000〜1700nm)対応の高安定照明により、高精度
    な画像検査・撮像環境を構築します。
    SWIR特有の光学特性を活かし、可視光では検出が難しい内部構造や材質差、異物の可視化を実現し、
    食品・半導体・樹脂などの産業検査の精度向上を実現します。

     
    ● 食品・農産物検査(異物混入・水分量評価)
     ・材質差を利用し、可視光では判別が難しい同色異物の検出が可能
     ・穀物・果実・野菜の内部品質評価(水分量・腐敗・乾燥状態)
     ・包装フィルム越しの内容物チェック

    ● 半導体・電子部品の透過検査
     ・SWIR光のシリコン透過特性を利用したウェハ内部の確認
     ・樹脂封止部品の内部クラック・ボイド検査
     ・基板やコネクタの内部構造チェック

    ● 樹脂・フィルム・パッケージの透過撮像
     ・印刷や着色の影響を受けにくく、パッケージ内部の異物・欠陥検査が可能
     ・多層フィルムの層構造確認
     ・樹脂材料の種類や条件に応じた透過検査(黒色樹脂を含む)

    ● 金属・素材の表面検査
     ・可反射特性の違いにより、可視光では検出が難しい欠陥の可視化が可能な場合があります
     ・炭素繊維や複合材料の内部欠陥検査への応用

    ● 医薬品・化粧品の品質検査
     ・フィルム・樹脂包装越しの内容物確認
     ・カプセル・錠剤の内部異常検査
     ・化粧品容器の透過検査・充填量確認

     

    ※透過性や検出性能は、対象物の材質・厚み・顔料・波長条件などにより異なります

    短波赤外線SWIR光源BOXの包装物異物検査イメージ

    包装品の異物検査

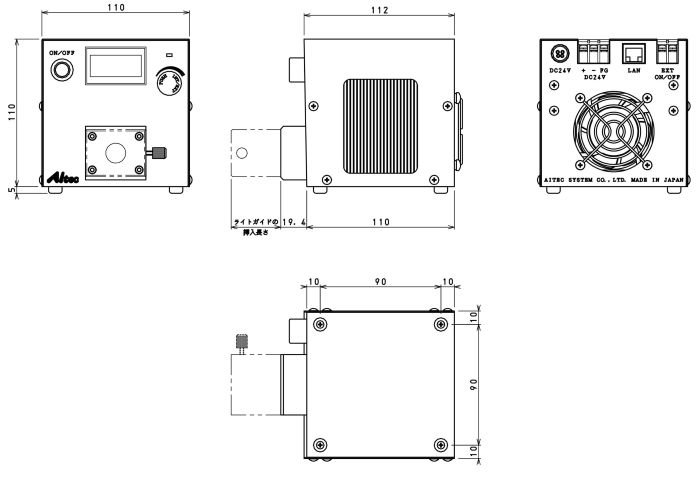
    外形図

    ●LLBKD-BA-SWIR

    赤外線LEDライティングBOX_LLBKD-SWIR外形図

    ●LLBKD-SA-SWIR

    赤外線LEDライティングBOX_LLBKD-SWIR外形図

    ※製品改良のため仕様を変更することがございますのでご了承ください

    データ代表例

    照射距離-放射照度(1050nm)グラフ
    照射距離-放射照度(1100nm)グラフ
    照射距離-放射照度(1200nm)グラフ
    照射距離-放射照度(1300nm)グラフ
    照射距離-放射照度(1450nm)グラフ
    照射距離-放射照度(1550nm)グラフ
    照射距離-放射照度(1650nm)グラフ

    ※掲載しているデータは参考例です 製品の品質を保証するものではありません

    電源供給の選択

    背面端子台:DC24V入力
    ACアダプタ:AC100-240V入力

    ※ AC アダプタはオプションです

    DC供給、AC供給各接続イメージ

    仕様

    ●共通仕様一覧

    入力電源 DC24V±5%(M3端子台/ACアダプタAC100V~240V) ※ACアダプタは別売り
    調光設定方式 デジタル設定(1000階調)
    出力数 1ch
    外部点灯/消灯 ON/OFFの入力信号(M3端子台2ピン接続)またはLAN通信によるコマンド通信
    LANコネクタ RJ-45型8Pコネクタ
    冷却方式 内蔵ファンによる強制冷却(出力に応じてFAN回転数を自動制御)
    動作温湿度 温度:0~40℃、湿度:20~85%RH (結露しないこと)
    保存温湿度 温度:0~50℃、湿度:20~85%RH (結露しないこと)
    設置条件(高度) 2000m以下
    設置条件(汚染度) レベル2
    (汚染度および設置カテゴリの詳細については、国際規格IEC60664-1を参照してください)
    設置条件(設置カテゴリ) カテゴリⅡ
    (汚染度および設置カテゴリの詳細については、国際規格IEC60664-1を参照してください)
    付属品 取扱説明書

    ●アタッチメント(口金)一覧

    型式 PU-LLBKC-H PU-LLBKC-E PU-LLBKC-S PU-LLBKC-J PU-LLBKC-F
    形状 Φ15×20L Φ15×37L Φ15×15L Φ20×30L Φ15×31L
    外形寸法W×D×H[mm] 45×35×20 45×35×37 45×35×15 45×35×30 45×35×31

    ※上記以外でもカスタムとして対応可能です。弊社営業部へお問合せください。

    ラインアップ一覧

    備考

    ●その他のサイズにつきましては、弊社営業部までお問い合わせください
    ●最新のデータにつきましては弊社営業部までお問い合わせください